SANAYİ SEKTÖRÜNE ÖZEL İLAN & REKLAM SİTESİ

ÇEMBER MAKİNASI TAMİR SERVİS

ÇEMBER MAKİNASI TAMİR SERVİS, Ambalaj Makinaları
ÇEMBER MAKİNASI TAMİR SERVİS, Ambalaj Makinaları

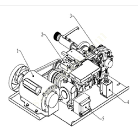
Çember Makinesi Teknik Servisi Tüm Marka Ve Modelleri Çember Makinası Yedek Parça ,Tamiri , Periyodik Bakım Ve Onarımlarını Ayrıca Makinaların Doğru Kullanmı Bakım ve Temizliği İlgili Müşterilerimizi Bilgilendirmek Ve Eğitmek Uzman ve Deneyimli Personelimiz Tarafından Yapılmaktadır. Firmamız Eym Ambalaj Makinelerinin Teknik servis ve Onarımı konusunda Deneyimli Personelimizle Arızalanan Çember Makinalarını Yerinde ve Zamanında Giderilmesi Ayrıca Müşterilerimiz Daha Önce Sahip Oldukları Yarı Otomatik Çember Makinası tamiri Tam Otomatik Çemberleme Makinaları ,Manuel Çemberleme ,Havalı Çember Makinesi Tamiri, Şarzlı Çember Makinası Tamiri Strapack, Exdent, Wagon, Packway, Transpak, Joinpack, Kıngpack, Siat, Orgapack, Signode, Fromm, Çin Malı, Tayvan Malı, Japon Malı Tüm Marka Ve Modelleri Teknik Servis ,Periyodik Bakım Ve Onarımlarını Ayrıca Makinaların Doğru Kullanmı Bakım ve Temizliği İlgili Müşterilerimizi Bilgilendirmek Ve Eğitmek Uzman ve Deneyimli Personelimiz Tarafından Yapılmaktadır Ayrıca Tüm Çember Makinası Yedek Parçaları Stoklarımızda Mevcuttur. Çember Makinalarını Teknik Çizim Yedek Parça Stok & Stok Numaraları İçin Pdf dosyalarını incileyebilirsiniz.

Uyarı: İlan sahibinin mal ve hizmetini ilgililere sunduğu fiili alanı (işyeri, dükkan vb.) ziyaret etmeden ve satın almak istediğiniz mal ve hizmeti teslim almadan önce herhangi bir ödeme (kapora, avans vb.) yapmamanız önerilir.